The Purpose and Application of Emerson CON011

Time: July 29, 2024
CON011 is Emerson Eddy Current Signal Converter. It options include field or enclosure mounting, small to large shaft measurements and industry safety ratings.

The CON011 Signal Converter in combination with sensors of type PR 6422 ... PR 6426 of Emerson( previous epro )Machine Monitoring Systems form eddy current measuring chains to be used for static anddynamic distance measurements at all kinds of rotating machinery. This means that slow axialdisplacements as well as fast radial vibrations of rotating machines can be measured. By usingpulse wheels or key marks sticked on the shaft, the speed of the machine can be measured andkey pulses generated.

Probes and signal converters are adjusted together and are delivered as complete measuring chains in order to achieve a maximum accuracy. For this reason it is very important that probes and converters always operate together. The type of the sensor and its serial number are marked on the type plate of the converter.

The characteristics of the measuring chain are adapted to the material mainly used for turbomachinery (reference material: 42 Cr Mo 4, according to SAE 4140). The standard adjustment of the measuring chains is generally related to this material − if necessary, other materials can be used for the adjustment (refer to operating manual PR 6422...PR 6426). During installation at the machine only the distance between the head of the sensor and the measuring target are to be adjusted. Criterion for the adjustment of the sensor is the output signal of the converter.

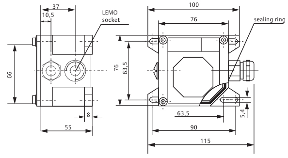
The CON011 Signal Converter is accommodated in a rugged housing, the electronic components are completely sealed. Connection of the eddy current probe is made with a LEMOSA connector at the front of the converter. A M20 tapped bush allows the protection ofthe sensor cable by means of a cable protection tube set MPT 064/.. . Supply circuits for the eddy current probe and the measuring electronic are contained in the converter. The nominal supply voltage for the converter is 24VDC, the nominal range of the output signal −proportional to the nominal measuring range of the sensor− may be set to either –4...−20 or –2...−18V. With the converters for the special measuring range (CON 011 / 91x−xxx) the output voltage is firmlyadjusted to the range −4... −20V.

Five eddy current probes are at disposal. The actual type to be used depends on the measuring range, on the available space for measuring and on the environmental temperature.

Send Us An Inquiry

Send Us An Inquiry
If you are interested in our products and want to know more details,please leave a message here,we will reply you as soon as we can.

Home

Products

whatsapp