Piezoelectric Accelerometer with Integrated Electronics CE680 M511 444-680-000-511
Piezoelectric Accelerometer with Integrated Electronics CE680 M511 444-680-000-511
Brand:
UngroupedItem NO.:
CE680 444-680-000-511Order(MOQ):
1 PCPayment:
T/TProduct Origin:
SwitzerlandShipping Port:
XIAMENLead Time:
IN STOCKWeight:
0.09kgWarranty:
1 Year
Piezoelectric Accelerometer with Integrated Electronics CE680 M511 444-680-000-511
Description:
The CE 680 M511 is an all-purpose vibration sensor designed for use in harsh industrial machinery environments. It uses the industry standard 2-wire voltage transmission technique with a constant current supply. The output signal has a sensitivity of 100 mV/g.
Thanks to the accelerometer's isolated ground and internal shield, no ground loops or frame voltage are present to disturb the measurement.
The CE 680 M511 shows extremely low noise levels and exceptional bias voltage stability at elevated temperatures.
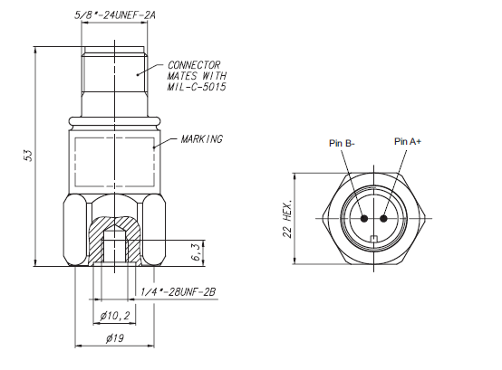
CE680 series can matach with the Vibrosmart VMU100 vibration monitor. It can connected with cable EC319(922-318-000-xxx) or EC319(922-319-000-xxx).
Nowdays, the CE680 is replaced by the CE620 and the affected part numbers are:
• 444-680-000-511 replaced by 444-620-000-011-A1-B100
• 444-680-000-611 replaced by 444-620-000-011-A1-B100
Specifications:
Sensitivity (at +25°C): 100 mV/g ±5%
Dynamic range: 80 g
Transverse sensitivity (maximum): 5% of axial
Linearity: 1% up to full scale
Frequency response (nominal)
• 3 Hz - 5 kHz: ±5%
• 1 Hz - 9 kHz: ±10%
• 0.5 Hz - 14 kHz: -3 dB
Resonant frequency: 30 kHz
Temperature response:
• Typical deviations
-55°C to +120°C : ±5%
-55°C: -5%
120°C: +3%

Ordering Information:
Piezoelectric Accelerometer
CE 680 M511 444-680-000-511
Q&A:
1. What' s the input supply current and supply voltage?
Input supply current: 2 to 10 mA
Supply voltage for current source: 18 to 30 VDC
2. What're the features of CE680?
• Designed for medium temperature industrial applications (-50°C to +120°C)
• Frequency response: 1 Hz to 9 kHz: ±10%, 0.5 Hz to 14 kHz: -3 dB
• Shear mode operation, therefore no output due to thermal transients
• Hermetically sealed for harsh environments
• Case insulated, internally shielded
• ESD protection
Relate items:
CE620
