GE IS200TTURH1BED MKVI, Turbine Termination Board
GE IS200TTURH1BED MKVI, Turbine Termination Board
Brand:
General Electric PLCItem NO.:
IS200TTURH1BEDOrder(MOQ):
1 PCPayment:
T/TMarket Price:
999Product Origin:
USAColor:
Depends on materialShipping Port:
XIAMENLead Time:
IN STOCKWarranty:
1 Year
GE IS200TTURH1BED MKVI, Turbine Termination Board
Description:
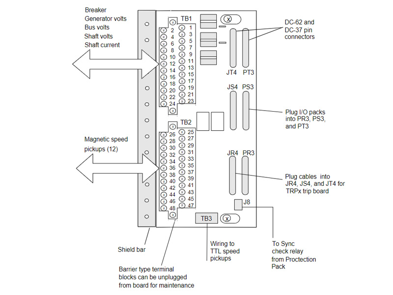
In the GE Mark VI system, IS200TTURH1BED is a turbine terminal board. The Primary Turbine Protection (TTUR) terminal board work with the VTUR boardand the PTUR / YTUR IO packs. The inputs and outputs are as follows.
12 pulse rate devices sensing a toothed wheel to measure the turbine speed Generator voltage and bus voltage signals taken from potential transformers
125 V dc output to the main breaker coil for automatic generator synchronizing
Inputs from shaft voltage and current sensors to measure induced shaft voltage and current
Three overspeed trip signals to the trip board
Additional I/O signals from the trip board
TTUR has three relays. K25. K25P and K25A, that all have to close to provide 125 W dc power to close the main breaker 52G.
The signals to PTUR / YTUR use the PR3 and JR4 connector for simplex systems. For IMR systems, signals fan out to the PR3, PS3, PT3, JR4, JS4, and JT4 connectors.

